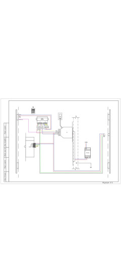
Электронный модуль NoKey предназначен для работы с электромеханическими замками и делает всю "тяговую ручку" (скобу) сенсорной кнопкой.В этом случае для открытия электромеханического замка необходимо просто взяться за ручку. Основное требование: тяговая ручка не должна иметь контакт с металлическим полотном двери.. Назначение и основные сведения. Система бесключевого доступа NoKey предназначена для управления электромеханическими, электромоторными и электромагнитными замками. Суть бесключевого доступа заключается в обеспечении возможности открытия двери за счёт касания человека к токопроводящей части ручки двери. Определяя момент касания, система отправляет сигнал на открытие замка. Для реализации дизайнерских решений система снабжена 2-х канальным модулем управления подсветкой на основе светодиодной RGB ленты, что, к примеру, позволяет организовать подсветку ручки и контура двери.. Требования по монтажу. Для надежной работы системы необходимо обеспечить надѐжный электрический контакт провода от системы к дверной ручке (далее – ручке). Ручка при этом должна быть гальванически развязана (к примеру, установлена через изолятор) с металлическим полотном двери и другими проводами. При этом провод общего потенциала источника питания системы обязательно должен иметь электрический контакт с металлическим полотном двери.Ручка должна быть выполнена из токопроводящего материала (металла) или иметь токопроводящее покрытие (металлизация). На ручке допускается внешняя изоляция (внешнее покрытие из токонепроводящего материала) толщиной не более 0,5 мм. При монтаже системы в дверное полотно требуется размещение провода от двери до системы таким образом, чтобы в процессе эксплуатации двери не происходило его смещение. Для крепления системы рекомендуется использовать крепежные элементы корпуса.. Технические характеристики. Температурный диапазон эксплуатации -20…+50 ℃Степень защиты от воздействия окружающей среды IP20Относительная влажность не более 60%.
| Название | Модель | Цена | |
|---|---|---|---|
| Демонтаж дверей | serv-007 | 1 450 р | |
| Установка входной двери | serv-008 | 5 500 р | |
| Установка козырька над входной дверью | serv-009 | 5 000 р |
Отзывов: 0
Нет отзывов об этом товаре.
Вопросов: 0
Пока нет вопросов об этом товаре. Станьте первым!
Почему у нас выгодно?
- Производство нестандартных размеров
- Цена ниже
- Выезд замерщика с каталогом
- Доставка и установка
- 8 лет опыта
- Расширенная гарантия 24 месяца
Запишитесь на замер!
Или получите консультацию по телефону:
8 (000) 000-00-00
8 (000) 000-00-00
